Информационные технологии в профессиональной деятельности — 2. Работа с макроэлементами

Оглавление / Contents

  • 2.1. Создание макроэлемента
  • 2.1.1. Практическая работа "Создание макроэлемента "Индикатор часового типа"
  • 2.2. Разработка чертежа стойка индикаторная в форме набора макроэлементов
  • 2.2.1. Практическая работа "Создание макроэлементов"
  • 2.3. Приспособление для контроля биений вала
  • 2.3.1. Практическая работа. Приспособление для контроля круглости цилиндрической детали.

Выполнить чертеж и создать макроэлемент по образцу, выносные элементы не чертить, размеры не проставлять.

Индикатор_1.jpg

Выполнить чертёж индикатора часового типа в соответствии с заданием, размеры не проставлять, выносные элементы не чертить, каждую проекцию преобразовать в отдельный макроэлемент.

indikator.jpg

Выполнить чертёж стойки индикаторной согласно задания. Размеры элементов стойки взять с чертежей деталей составляющих стойку. Преобразовать в макроэлемент проекцию плиты со стержнем "Вид спереди", преобразовать в отдельный макроэлемент проекцию плиты со стержнем "Вид слева", преобразовать в макроэлемент проекцию кронштейна с индикатором и закрепляющими винтами "Вид слева", преобразовать в отдельный макроэлемент проекцию кроштейна с индикатором и закрепляющими винтами для вида спереди, "собрать" стойку.

Стойка_1.jpg
Плита_1.jpg
Стержень.jpg
Кронштейн.jpg
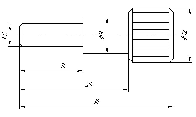
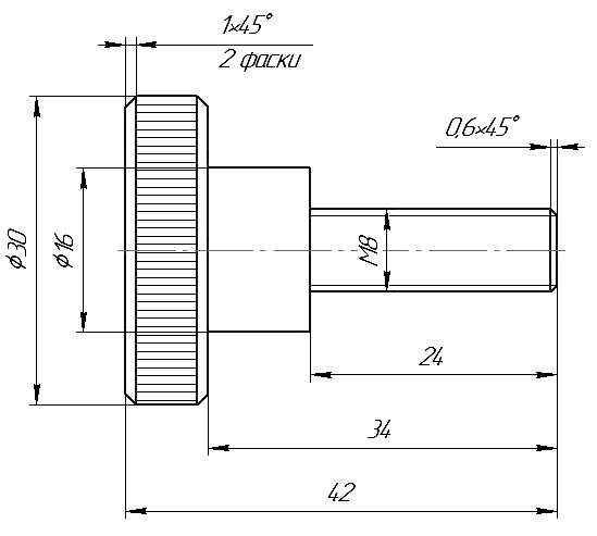
Винт.jpg
Винт_М8.jpg

Разработать сборочные единицы согласно заданию, сформировать из каждого отдельный макроэлемент. Размеры и обозначения не проставлять.

Передняя бабка.jpg
Задняя бабка.jpg

Разработать чертёж приспособления для контроля радиального биения вала на основе макроэлементов передней бабки, задней бабки и стойки индикаторной:

Приспособа_М.jpg
Вал.jpg

Самостоятельно разработать чертёж приспособления контроля круглости цилиндрической детали на основе макроэлемента стойки индикаторной на основе задания. Размеры и обозначения не проставлять.

Контроль круглости.jpg