Компьютерная графика — 4. Оформление чертежей в САПР Компас 3D

Оглавление / Contents

  • 4.1. Простановка размеров в САПР Компас 3D
  • 4.1.1. Простановка размеров в САПР Компас 3D
  • 4.2. Простановка шероховатостей поверхности
  • 4.2.1. Простановка шероховатости, практическая работа
  • 4.3. Отконения формы и расположения поверхностей
  • 4.3.1. Отклонения формы, практическая работа
  • 4.4. Выносные элементы

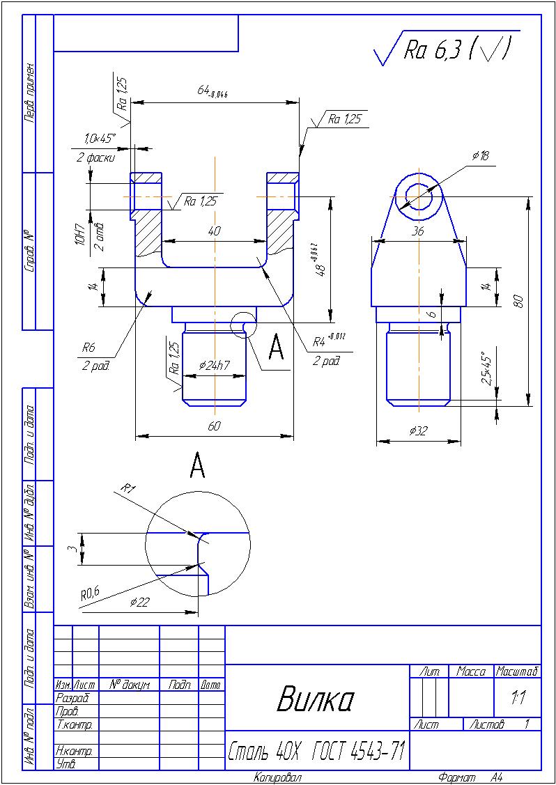
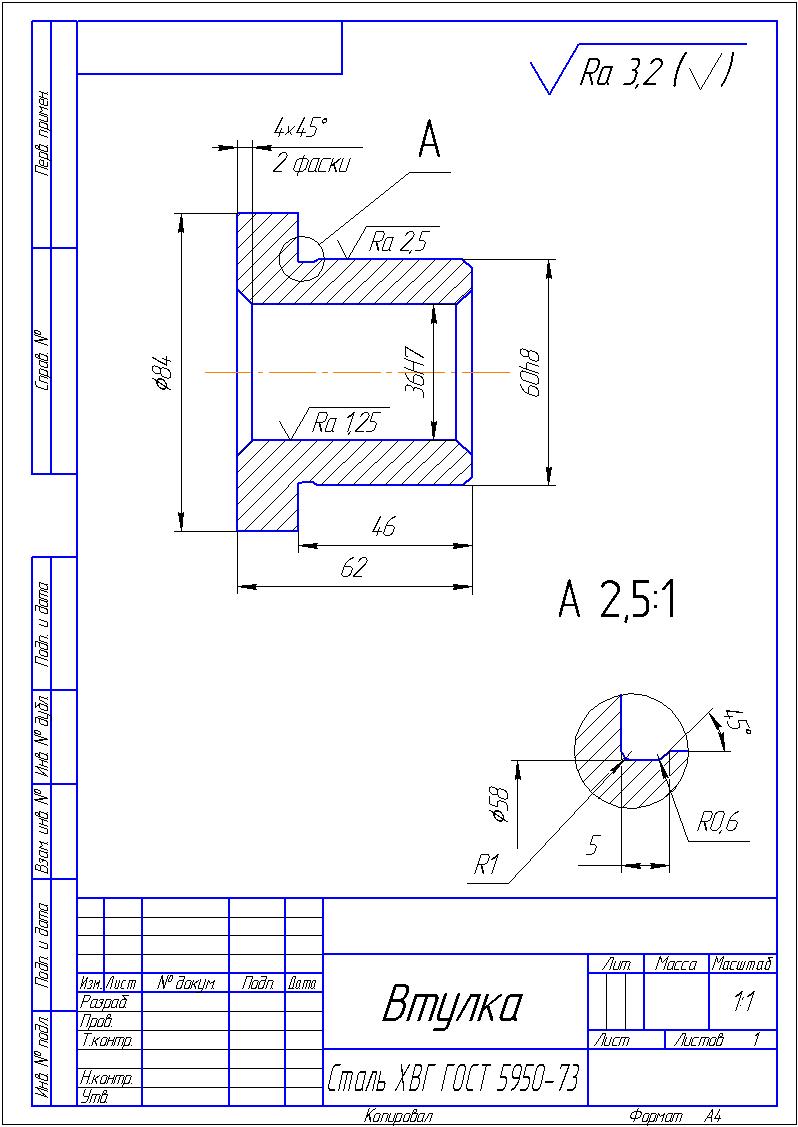
Выполнить чертежи по образцам, проставить размеры с допускаемыми отклонениями.

Втулка.jpg
Вилка.jpg

Выполнить чертёж согласно образца, проставить размеры и значения шероховатости.

Втулка.jpg
Пластина_1.jpg

Выполнить чертёж согласно образца, проставить размеры, шероховатость

Кронштейн.jpg
Стойка.jpg
search