Компьютерная графика — 13. Построение разрезов в САПР Компас 3D

Оглавление / Contents

  • 13.1. Простые разрезы
  • 13.1.1. Практическая работа "Простые разрезы".
  • 13.2. Ступенчатые разрезы
  • 13.1.2. Практическая работа "Ступенчатые разрезы"
  • 13.3. Ломаные разрезы

 

Разрезом называется изображение детали рассечённой секущей плоскостью, разрез показывает, что расположено в секущей плоскости и за ней. Разрезы применяются для того, чтобы показать внутреннее строение детали. Важно правильно выбрать секущую плоскость, которая должна проходить через все элементы детали. Плоскости детали, по которым проходит сечение штрихуются. Тонкие элементы типа рёбер жёсткости попавших в плоскость разреза штриховать не следует.

 

 

Согласно приложенным файлам выполнить простые разрезы

razrez_1.jpg
razrez_2.jpg
razrez_3.jpg

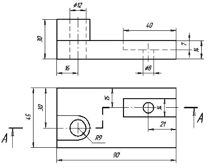
Если характерные элементы лежат в разных плоскостях, применяются ступенчатые разрезы, когда секущие плоскости параллельны. На видеоролике представлена деталь с тремя характерными элементами, чтобы показать их на разрезе применяется ступенчатый разрез. Деталь рассечена тремя секущими плоскостями. Первая открывает сквозное отверстие в цилиндрическом выступе, вторая - паз, третья - сквозное отверстие. Все три плоскости объединяются в плоскости чертежа образуя ступенчатый разрез.

При выполнении ступенчатого разреза необходимо рационально выбрать секущие плоскости так, чтобы они проходили через все характерные элементы детали.

 

 

 

Согласно приложенным файлам выполнить ступенчатые разрезы.

stupenchatyy-razrez_1.jpg
stupenchatyy-razrez_2.jpg
stupenchatyy-razrez_3.jpg

Ломаным разрезом называется сложный разрез, в котором секущие плоскости пересекаются.

При построении ломаных разрезов наклонную секущую плоскость условно поворачивают до совмещения с другой секущей плоскостью, таким образом, чтобы получилась единая секущая плоскость. Далее разрез строится с использованием проекционных связей, как простой разрез образованный одной секущей плоскостью. При повороте плоскости наклонная часть детали изобразится на разрезе без искажений.

 

 

ЛР_1.png
ЛР_2.png
ЛР_3.png
ЛР_4.png
search