СВАРОЧНЫЕ ГАЗЫ И СМЕСИ
Технология полуавтоматической сварки предполагает использование - либо флюса, либо защитного газа.
Первый меняет физико-химические характеристики шва, второй — защищает металл от окисления, что особенно актуально при соединении заготовок из алюминия или быстро окисляемых сплавов.
Сварочная ванна подвержена негативному влиянию кислорода из атмосферы, который может ослабить коррозионную стойкость шва, снизить его прочность и привести к образованию пор.

Поток газа заключает сварочную ванну в защитную оболочку, предохраняя от вредного внешнего воздействия атмосферного воздуха, тем самым защищая затвердевающий расплавленный сварной шов от окисления, а также от содержащихся в воздухе примесей и влаги.
Газы подразделяются
инертная группа
к которой относится - Аргон (Аг) и Гелий (Не).
Аргон

Бесцветный, неядовитый, взрывобезопасный газ без вкуса и запаха. Обычно используются для аргонодуговой TIG сварки для всех материалов и MIG сварки цветных металлов, например алюминий.
Аргон химически инертен, что делает его пригодным для сварки химически активных и тугоплавких металлов.
Этот газ имеет низкую теплопроводность и потенциал ионизации, что приводит к низкой передаче тепла на внешнюю область сварочной дуги.
В результате формируется узкий столб дуги, который в свою очередь, создает традиционный для сварки в чистом аргоне профиль сварочного шва: глубокий и относительно узкий.
Хранится и транспортируется в баллонах серого цвета с зеленой надписью
Гелий
Легче воздуха, без запаха, цвета, вкуса, не ядовит. Является одноатомным инертным газом. Чаще всего используется для аргонодуговой TIG сварки цветных металлов и для сварки в потолочном положении.
Имеет высокую проводимость тепла и потенциал ионизации.
При сварке гелием профиль сварочного шва получается широким, и с довольно высоким тепловложением.
Благодаря этим особенностям его чаще всего используется в качестве добавок к аргону и применяется для сваривания химически чистых или активных металлов, алюминиевых или магниевых сплавов, для обеспечения большой глубины проплавления.
Хранится и транспортируется в коричневых баллонах с белой надписью.
В активную группу входит - Азот (N), Кислород (O), Углекислый газ (CO2).
Углекислый газ

Углекислый газ обеспечивает довольно глубокое проплавление, поэтому популярен при сварке толстого металла.
К недостаткам сварки в среде углекислого газа относится менее стабильная сварочная дуга, приводящая к большому образованию брызг.
Также работа возможна только на короткой дуге. Обычно используется для полуавтоматической MAG сварки короткой дугой и MAG сварки порошковой проволокой.
Хранится и транспортируется в баллонах черного цвета с желтой надписью
Кислород

Кислород - двухатомный, активный защитный газ. Обычно используется для MIG MAG сварки как один из компонентов сварочной смеси, в концентрации менее 10%.
Кислород обеспечивает очень широкий профиль сварочного шва с неглубоким проплавлением и высокое тепловложение на поверхности металла.
Кислородо-аргонные смеси обладают характерным профилем проплавления сварочного шва в виде «шляпки гвоздя».
Хранится и транспортируется в баллонах голубого цвета с черной надписью.
Водород

Водород - двухатомный, активный газ. Применяется при сварке аустенитной нержавеющей стали для удаления оксида и повышения тепловложения.
В результате получается широкий сварочный шов с увеличенным проплавлением.
Концентрация в сварочной смеси обычно не более 10%, а при плазменной резке нержавеющей стали от 30 до 40%.
Хранится и транспортируется в баллонах зеленого цвета с красной надписью.

Горючие газы

Технический ацетилен – бесцветный газ благодаря наличию в нем примесей, в частности фосфористого водорода, имеет резкий специфический запах, легче воздуха, способен растворяться во многих жидкостях, растворимость зависит от температуры: чем ниже температура жидкости, тем больше она способна «забрать» ацетилена.
Содержание фосфористого водорода в ацетилене должно быть строго ограничено, так как в момент образования ацетилена в присутствии воздуха при высокой температуре может произойти самовоспламенение, и единственный широко используемый в промышленности газ, относящийся к числу немногих соединений, горение и взрыв которых возможны в отсутствии кислорода или других окислителей.

Пропан - углеводородный газ, является смесью пропана и бутана, которые в чистом виде не используются.
Газ без цвета и запаха, не растворяется в воде, но хорошо растворяется в этаноле, образует взрывоопасную смесь с воздухом, нетоксичен.
К пропану добавляют ароматизатор, его характерный запах позволяет быстро обнаружить утечки и разгерметизацию газовых установок.
Газы применяемые в смесях
Смесями являются:
аргоно-углекислый состав (Аг + СО2) — инертно-активная среда, снижающая разбрызгивание электрода;
аргоно-гелиевый состав (Аг + Не) — защитная среда, повышающая тепловую мощность дуги;
аргоно-кислородная газовая смесь (Аг + О2) — инертно-активная среда для низколегированных и легированных сталей;
углекисло-кислородная смесь (СО2 + О2) — активная среда, повышающая производительность полуавтомата.
Критерии выбора газа или смеси для полуавтоматической сварки
При выборе смеси или технически однородной среды принято обращать внимание на следующие критерии:
тип конструкционного материала свариваемых заготовок, толщину формируемого шва, диаметр проволоки.
В итоге выбор смеси для сварочных работ сводится к изучению таблицы, в которой указаны - составы, рекомендуемые для каждого металла или сплава, с учетом глубины ванны и других характеристик.
Кроме того, опытный сварщик (газорезчик) учитывает эффекты, которые даёт та или иная среда.
Правильный выбор защитного газа для процессов дуговой сварки металла, таких как аргонодуговая TIG сварка и полуавтоматическая сварка MIG MAG могут резко повысить скорость, качество сварки и глубину проплавления.
Чистые сварочные газы
Чистые газы, используемые для сварки, это аргон, гелий, и углекислый газ. Эти газы могут иметь как положительное, так и негативное воздействие на дуговой процесс сварки и появление дефектов в сварочном шве.
Аргон
100% аргон обычно используются для аргонодуговой TIG сварки для всех материалов и MIG сварки цветных металлов. Аргон химически инертен, что делает его пригодным для сварки химически активных и тугоплавких металлов.
Этот газ имеет низкую теплопроводность и потенциал ионизации, что приводит к низкой передаче тепла на внешнюю область сварочной дуги.
В результате формируется узкий столб дуги, который в свою очередь, создает традиционный для сварки в чистом аргоне профиль сварочного шва: глубокий и относительно узкий.
Гелий
Гелий также является одноатомным инертным газом, и чаще всего используется для аргонодуговой TIG сварки цветных металлов.
В отличие от аргона, гелий имеет высокую проводимость тепла и потенциал ионизации, которые дают противоположный, чем при сварке в аргоне, эффект.
Гелий обеспечивает широкий профиль сварочного шва, хорошее смачивание по краю и более высокое тепловложение, чем чистый аргон.
Углекислый газ
Углекислый газ CO2 – активный газ - обычно используется для полуавтоматической MAG сварки короткой дугой и MAG сварки порошковой проволокой. CO2 является наиболее распространенным из химически активных газов, используемых в MAG сварке. И единственным газом , который можно использовать в чистом виде без добавления инертного газа.
Углекислый газ является одним из самых дешевых защитных газов, что делает его привлекательным выбором, когда материальные затраты являются основным приоритетом при сварочном процессе.
CO2 обеспечивает очень глубокое проплавление, что полезно для сварки толстого металла, однако, при сварке в этом газе менее стабильна сварочная дуга, что приводит к большому образованию брызг.
Также его применение ограничивается сваркой на короткой дуге и делает не возможной сварку со струйным переносом.
Сварочные газы, используемые как компоненты сварочной смеси газов
Кислород
Кислород - двухатомный, активный защитный газ обычно используется для MIG MAG сварки как один из компонентов сварочной смеси, в концентрации менее 10%.
Кислород обеспечивает очень широкий профиль сварочного шва с неглубоким проплавлением и высокое тепловложение на поверхности металла. Кислородо-аргонные смеси обладают характерным профилем проплавления сварочного шва в виде «шляпки гвоздя». Кислород также используется в тройных смесях с СО2и аргоном, где он обеспечивает хорошую смачиваемость и преимущества струйного переноса.
Водород
Водород - двухатомный, активный компонент защитного газа обычно используется в сварочной смеси в концентрации менее 10%.
Водород используется главным образом при сварке аустенитной нержавеющей стали для удаления оксида и повышения тепловложения.
Водород может быть использован в более высокой концентрации (от 30 до 40%) для плазменной резки нержавеющей стали - для увеличения мощности и сокращения шлака.
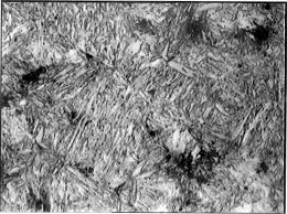
Влияние термического воздействия на структуры различных металлов

(Аустенитная нержавеющая сталь — особый тип нержавеющей стали . Нержавеющие стали могут быть классифицированы по их кристаллической структуре на четыре основных типа:
аустенитная

ферритная

мартенситная

дуплексная.

Аустенитные нержавеющие стали имеют аустенит в качестве своей первичной кристаллической структуры. (гранецентрированная кубическая).
Аустенит (γ-фаза) — высокотемпературная гранецентрированная модификация железа и его сплавов.
В углеродистых сталях аустенит — это твёрдый раствор внедрения, в котором атомы углерода входят внутрь элементарной ячейки γ-железа во время конечной термообработки.
В сталях, содержащих другие металлы (кроме железа, легированные стали), атомы металлов замещают атомы железа в кристаллической решётке и возникает твёрдый раствор замещения.
В чистом железе существует в интервале температур 910—1401 °C; в углеродистых сталях аустенит существует при температурах не ниже 727 °C
Эта кристаллическая структура аустенита достигается достаточным добавлением аустенитных стабилизирующих элементов - никеля, марганца и азота.
Из-за специфической кристаллической структуры аустенитные стали не увеличивают твёрдость при тепловой обработке и не обладают магнитными свойствами.)
Как и для всех газов из двухатомных молекул, результат - широкий на поверхности сварочный шов. Проплавление увеличенное.
Водород не подходит для ферритных или мартенситных сталей из-за возникновения трещин.
(Ферритные стали представляют собой высокохромистые, магнитные нержавеющие стали с низким содержанием углерода.
Известные своей хорошей пластичностью, стойкостью к коррозии и коррозионному растрескиванию под напряжением, ферритные стали обычно используются в автомобильной промышленности, посуде и промышленном оборудовании.)
Мартенсит — микроструктура игольчатого (пластинчатого), а также реечного (пакетного) вида, наблюдаемая в закалённых металлических сплавах и в некоторых чистых металлах, которым свойственен полиморфизм.
Мартенсит — основная структурная составляющая закалённой стали; представляет собой упорядоченный пересыщенный твёрдый раствор углерода в железе такой же концентрации, как у исходного аустенита.